Полупогружной насос TAIFENG UTPL-125VK-155
|
Технические характеристики
Производитель:
TAIFENG
Тип:
химические центробежные полупогружные насосы
Страна производства:
Китай
Проточная часть:
полипропилен армированный стекловолокном (GFRPP) или поливинилиденфторид (PVDF)
Глубина погружения:
до 1500 мм с шагом в 100 мм
Максимальная производительность:
150 м³/ч
Максимальный напор:
30 м
Плотность:
до 1,8 кг/дм³
Частота вращения вала:
2900 оборотов в минуту
Мощность электродвигателя:
11 / 15 / 18,5 кВт (плотность до 1,2 / 1,5 / 1,8 кг/дм³)
Напорный патрубок:
DN125
Стоимость:
зависит от конфигурации
|
О полупогружных насосах
Пример установки и контроль уровня жидкости
Графики зависимости производительности и давления
A - 100VK-155; B - 100VK-205; C - 100VK-255; D - 100VK-305; E - 125VK-155; F - 125VK-205; G - 125VK-255; H - 125VK-305
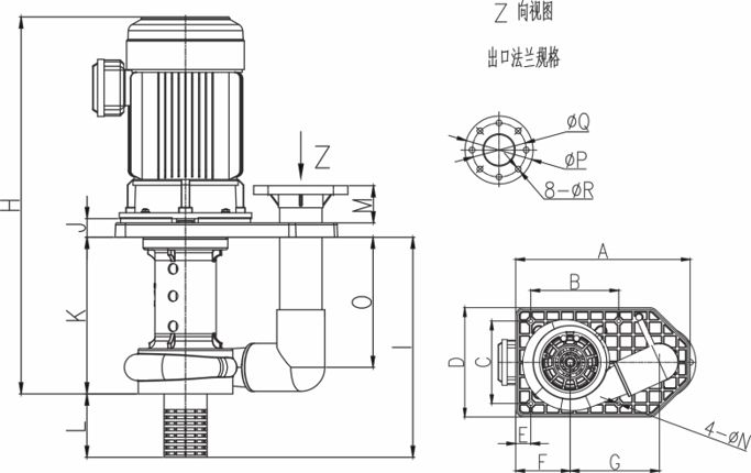
Габаритные размеры
| A | B | C | D | E | F | G | H | I | J | K | L | M | N | O | P | Q | R |
|---|---|---|---|---|---|---|---|---|---|---|---|---|---|---|---|---|---|
| 596 | 300 | 283 | 347 | 52 | 186 | 305 | 910 | 590 | 50 | 420 | 170 | 100 | 13,5 | 349 | 250 | 210 | 18 |
Конструкция погружной части размером более 400 мм
Внутреннее строение и материалы
Расшифровка обозначений в названии
Условия доставки
Доставляем заказы по всей России и странам ЕАЭС. Доставка производится транспортными компаниями, доступными в вашем регионе.
Стоимость, срок поставки и место нахождения оборудования уточняйте у инженеров компании.
Стоимость
Стоимость на тот или иной насос зависит от его исполнения: материала проточной части и внутренних элементов, типа уплотнения, мощности электродвигателя и т.д. Об этом написано выше. Нет никакого "базового" исполнения, есть сотни различных комбинаций и модификаций. Всё индивидуально подбирается под Вашу конкретную задачу. Пишите, звоните или заполняйте заявку, это внесёт ясность и исключит ошибку.













