Полупогружной насос TAIFENG UTP-40VK-1
|
Технические характеристики
Производитель:
TAIFENG
Тип:
химические центробежные полупогружные насосы
Страна производства:
Китай
Проточная часть:
полипропилен армированный стекловолокном (GFRPP) или поливинилиденфторид (PVDF)
Глубина погружения:
до 1500 мм с шагом в 100 мм
Максимальная производительность:
13,5 м³/ч
Максимальный напор:
8 м
Плотность:
до 1,8 кг/дм³
Частота вращения вала:
2900 оборотов в минуту
Мощность электродвигателя:
0,75 кВт
Напорный патрубок:
DN40
Вес:
20 кг
Стоимость:
зависит от конфигурации
|
О полупогружных насосах
Пример установки и контроль уровня жидкости
Графики зависимости производительности и давления

A - 40VK-1; B - 40VK-2; C - 40VK-3; D - 50VK-5; E - 65VK-7.5; F - 65VK-10; G - 80VK-7.5; H - 80VK-10; I - 80VK-15
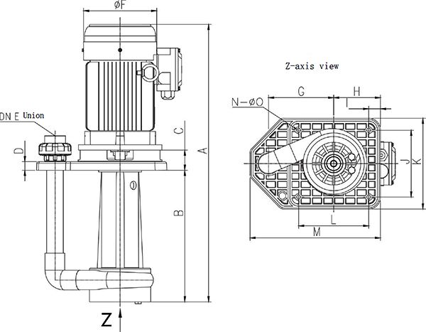
Габаритные размеры
| A | B | C | D | E | F | G | H | I | J | K | L | M | N | O |
|---|---|---|---|---|---|---|---|---|---|---|---|---|---|---|
| 764 | 393 | 60 | 25 | 40 | 176,5 | 195 | 140 | 35 | 200 | 272 | 210 | 390 | 4 | 12 |
Конструкция погружной части размером более 400 мм
Внутреннее строение и материалы
Расшифровка обозначений в названии
Условия доставки
Доставляем заказы по всей России и странам ЕАЭС. Доставка производится транспортными компаниями, доступными в вашем регионе.
Стоимость, срок поставки и место нахождения оборудования уточняйте у инженеров компании.
Стоимость
Стоимость на тот или иной насос зависит от его исполнения: материала проточной части и внутренних элементов, типа уплотнения, мощности электродвигателя и т.д. Об этом написано выше. Нет никакого "базового" исполнения, есть сотни различных комбинаций и модификаций. Всё индивидуально подбирается под Вашу конкретную задачу. Пишите, звоните или заполняйте заявку, это внесёт ясность и исключит ошибку.













