Дренажный погружной насос TAIFENG 50UTQ20-40-7,5-F
|
Технические характеристики
Производитель:
TAIFENG
Тип:
погружной дренажный насос из нержавеющей стали
Страна производства:
Китай
Номинальная производительность:
20 м³/час
Номинальный напор:
40 м
Тип рабочего колеса:
двухлопастное незасоряемое
Размер твёрдых включений:
-
Диаметр патрубков:
DN50 фланцы
Корпус насоса:
нержавеющая сталь AISI304 или AISI316
Корпус мотора:
нержавеющая сталь AISI304 или AISI316
Рабочее колесо:
нержавеющая сталь AISI304 или AISI316
Вал:
нержавеющая сталь AISI304 или AISI316
Механическое уплотнение:
двойное торцевое
Мощность электродвигателя:
7,5 кВт (3х380)
Частота вращения вала:
2860 об/мин
Длина электрокабеля:
8 м
Температура перекачиваемой жидкости:
от 0°С до 40°С
Глубина погружения:
8 м
Стоимость:
зависит от конфигурации
|
Обзор линейки
Условия использования
График производительности
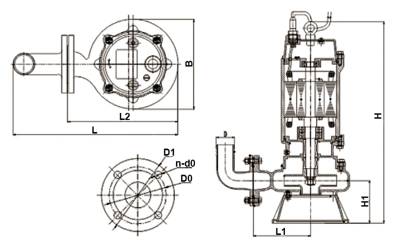
Габаритные размеры
| L | L1 | L2 | B | H | H1 | D | D0 | n-d0 | D1 |
|---|---|---|---|---|---|---|---|---|---|
| 437 | 189 | 334 | 289 | 722 | 158 | Ø50 | Ø110 | 4-Ø14 | Ø140 |
Расшифровка обозначений в названии
Условия доставки
Доставляем заказы по всей России и странам ЕАЭС. Доставка производится транспортными компаниями, доступными в вашем регионе.
Стоимость, срок поставки и место нахождения оборудования уточняйте у инженеров компании.
Стоимость
Стоимость на тот или иной насос зависит от его исполнения: материала проточной части и внутренних элементов, типа уплотнения, мощности электродвигателя и т.д. Об этом написано выше. Нет никакого "базового" исполнения, есть сотни различных комбинаций и модификаций. Всё индивидуально подбирается под Вашу конкретную задачу. Пишите, звоните или заполняйте заявку, это внесёт ясность и исключит ошибку.













