Химический насос TAIFENG UMPH-251 с магнитной муфтой
|
Технические характеристики
Производитель:
TAIFENG
Тип:
центробежный химический насос с магнитной муфтой
Страна производства:
Китай
Максимальная производительность:
7,5 м³/час
Максимальный напор:
20,5 м
Плотность жидкости:
до 1,2 кг/дм³ (до 1,8 кг/дм³ см. ниже)
Тип уплотнения:
магнитная муфта
Проточная часть:
полипропилен армированный стекловолокном (GFRPP) или поливинилиденфторид (PVDF)
Минимальная температура жидкости:
0°С
Максимальная температура жидкости:
PP - 80°C, PVDF/ETFE - 90°C
Диаметр входного соединения:
DN25
Диаметр выходного соединения:
DN25
Самовсасывание:
нет
Всасывание в залитом состоянии:
не предусмотрено
Взрывобезопасное исполнение:
электродвигателя (опционально)
Температура окружающей среды:
0 - +40°С
Мощность электропривода:
0,75 кВт
Габарит электропривода:
80 (B5)
Частота вращения вала:
3000 об/мин
Стоимость:
зависит от конфигурации
|
Краткое описание серии
Магнитная система на базе сплава SmCo (Самарий-Кобальт)
Инженерные полимеры Nanya премиального класса
Преимущества магнитной муфты
Графики зависимости производительности и давления

Плотность более 1,2 кг/дм³
Если плотность жидкости выше 1,2 кг/дм³, то для сохранения напорно-расходных характеристик согласно кривой производительности данного насоса требуется применение повышающей модели согласно рекомендациям ниже.
Плотность до 1,5 кг/дм³ - модель UMPH-252 с приводом мощностью 1,5 кВт.
Плотность до 1,8 кг/дм³ - модель UMPH-253 с приводом мощностью 2,2 кВт.
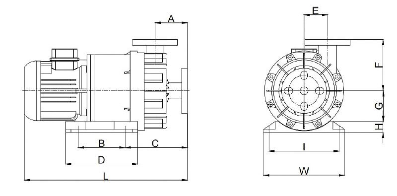
Габаритные размеры
| Model | A | B | C | D | E | F | G | H | I | L | W |
|---|---|---|---|---|---|---|---|---|---|---|---|
| UMPH-251 | 88 | 136 | 174 | 204 | 65 | 140 | 100 | 15 | 130 | 466 | 160 |
Внутреннее строение
Расшифровка обозначений в названии
Условия доставки
Доставляем заказы по всей России и странам ЕАЭС. Доставка производится транспортными компаниями, доступными в вашем регионе.
Стоимость, срок поставки и место нахождения оборудования уточняйте у инженеров компании.
Стоимость
Стоимость на тот или иной насос зависит от его исполнения: материала проточной части и внутренних элементов, типа уплотнения, мощности электродвигателя и т.д. Об этом написано выше. Нет никакого "базового" исполнения, есть сотни различных комбинаций и модификаций. Всё индивидуально подбирается под Вашу конкретную задачу. Пишите, звоните или заполняйте заявку, это внесёт ясность и исключит ошибку.













