Самовсасывающий насос Promnasos TXM-553 с магнитной муфтой
|
Технические характеристики
Производитель:
Promnasos
Тип:
самовсасывающий насос с магнитной муфтой
Страна производства:
Китай
Максимальная производительность:
25,8 м³/час
Максимальный напор:
25 м
Плотность жидкости:
до 1,2
Тип уплотнения:
магнитная муфта
Проточная часть:
полипропилен армированный стекловолокном (GFRPP) или поливинилиденфторид (PVDF)
Минимальная температура жидкости:
0°С
Максимальная температура жидкости:
PP - 80°C, PVDF - 90°C
Диаметр входного соединения:
2"
Диаметр выходного соединения:
2"
Давление на разрыв:
4,3 Бар
Самовсасывание:
с 4 метров
Взрывобезопасное исполнение:
по запросу
Температура окружающей среды:
0 - +40°С
Размер твёрдых включений:
-
Вес насоса с приводом:
48 кг
Мощность электропривода:
2,2 кВт
Частота вращения вала:
3000 об/мин
Стоимость:
зависит от конфигурации
|
Краткое описание серии
Графики производительности и давления
Внутреннее строение
Самовсасывание
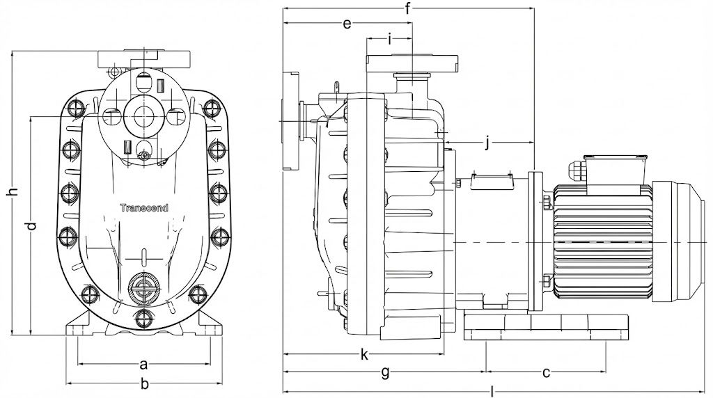
Габаритные размеры
| Model No. | a | b | c | d | e | f | g | h | i | j | k | l |
|---|---|---|---|---|---|---|---|---|---|---|---|---|
| TXM-553 | 221 | 250 | 245 | 290 | 205 | 400 | 321 | 391 | 76 | 133 | 267 | 675 |
Меры предосторожности
Меры предосторожности при работе
Расшифровка обозначений в названии
Условия доставки
Доставляем заказы по всей России и странам ЕАЭС. Доставка производится транспортными компаниями, доступными в вашем регионе.
Стоимость, срок поставки и место нахождения оборудования уточняйте у инженеров компании.
Стоимость
Стоимость на тот или иной насос зависит от его исполнения: материала проточной части и внутренних элементов, типа уплотнения, мощности электродвигателя и т.д. Об этом написано выше. Нет никакого "базового" исполнения, есть сотни различных комбинаций и модификаций. Всё индивидуально подбирается под Вашу конкретную задачу. Пишите, звоните или заполняйте заявку, это внесёт ясность и исключит ошибку.













